Recent Changes - Search:

radlab home

radlab support

generic HFDR

principles
hardware
software
production
documents
pictures

know-how

projects

CNMI-Guam
CWA
IFREMER
IHMT
ISMER
NAMR
PACIOOS
TORI
UABC
UHHilo
UP-MSI
WHOI

old projects

MEC
OGS
UAF

.

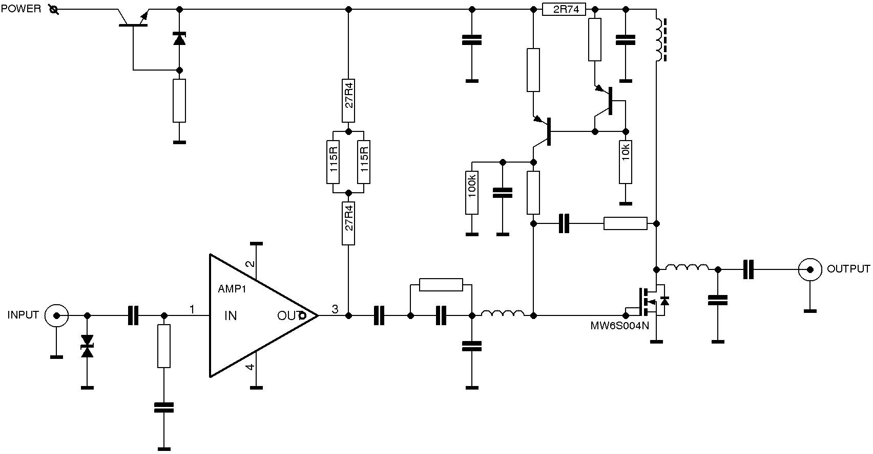
Distributed RF power amplifier 4 x 1W

To maximize the range, Frequency Modulated Continuous Wave (FMCW) radars that transmit and receive signals simultaneously (uninterrupted) require a special configuration of the transmit antennas, reducing the direct path energy to the receive antennas as much as possible. This attenuation is usually performed by an array of four transmit antennas phased to produce a null in the direction of the receive antennas and a wide beam towards the ocean. The standard configuration consists of a power amplifier, followed by a 4-way power splitter feeding each of the transmit antenna separately.

An alternate option consists of splitting the low-level signal before amplification and installing a lower power amplifier for each antenna. This is a slightly cheaper option, saving the cost of the power splitter ($1,000) and of the low-loss coax to the transmit antennas ($3,000) when the power amplifier is inside the instrument container. The assembled distributed amplifier, however, costs about the same as a single 50-W TOMCO module.

The distributed power amplifier described here uses connectorized modules from Mini Circuits, including a bias-T to inject power through the signal coaxial cable and individual anti-harmonics filters on all channels. It is meant to be connected directly to a solar power source, and features a ultra-low-noise DC-DC converter from VICOR.

Radio specifications:

  • input RF level 5.3 dBm @ 50 Ohm
  • hard-limited input RF level 9.5 dBm
  • output RF level 4x30 dBm @ 50 Ohm
  • no VSWR protection, all channels must be connected to 50-Ohm antenna or 50-Ohm terminator
  • internal RG-316 cabling with SMA connectors
  • gas-discharge tube surge protection on all output channels
  • total output RF power 4W
  • anti-harmonics low-pass filter cut-off 40MHz
    • not suitable below 12 MHz
    • 12-15 MHz: 2*f0 @ -26 dB; 3*f0 @ -26 dB
    • 16-23 MHz: 2*f0 @ -34 dB; 3*f0 < -66 dB
    • 24-35 MHz: 2*f0 and above < -68 dB
    • not suitable above 35 MHz
output low-pass filter response
output spectrum for 16 MHz excitation

Electrical specifications:

  • 48V power supply recommended input 44-56V DC (35-75V DC maximum rating)
  • 24V power supply recommended input 22-28V DC (9-36V DC maximum rating)
  • power efficiency ~17%
  • total electrical power < 24W (typ. 21W on 48V and 23W on 24V)
  • dual mode of supply: direct plug connector, or bias-T through signal coaxial cable
  • shorting-diode polarity-protected
  • no fuse protection inside enclosure, external 2A fuse required
  • plug wiring; negative connected to "ground" and "2"; positive connected to "1" and "3"

Mechanical specifications:

  • weight 4.4 kg
  • dimensions 274mm x 173mm x 100mm
  • thermal dissipation 15 C above ambient (free air)
  • maximum ambient operating temperature 40 C (free air)
  • not water proof, must be protected from direct exposure to water, rain and snow
  • black powder-coated cast-aluminum enclosures with radio interference-reducing gasket
  • anodized aluminum heatsink

Cost:

itemcost qty 1
enclosure$100
machining$500
ferrites, hardware$100
filter boards$50
mini-circuit$1,400
coax cables$250
VICOR DC-DC$200
-------------------
total$2,600

Block diagram:

Overall:

Amplifier ZX60-100VH:

Documents:

Edit - History - Print - Recent Changes - Search
Page last modified on February 16, 2025, at 12:28 PM